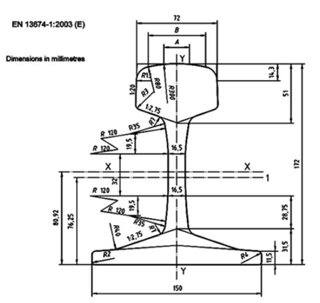
UIC 60 skena, även kallad 60E1 rail. Det är en standardspårskena, designad för användning på järnvägsspår med en standardspår på 1435 mm, etc. Den överensstämmer med UIC860- eller EN 13674-1-standarderna och väger 60,21 kg/m.
uic60 järnvägsspecifikation

| Storlek | Dimensionera | Vikt (kg/m) | Material | Längd (m) | |||
| Huvud (mm) | Höjd (mm) | Bas | Web | ||||
| UIC60 | 72 | 172 | 150 | 16.5 | 60.21 | 900A/1100 | 12-25 |
Vilka uic60 järnvägsegenskaper bestämmer spårets livslängd?
Den operativa livslängden för ett järnvägsspår som använder UIC 60-skenor garanteras inte bara av dess robusta fysiska storlek och tunga profil (60,21 kg/m ); det bestäms i grunden av skenans interna metallurgiska egenskaper, mekaniska styrka och tillverkningsprecision.
Kemisk sammansättning och metallurgisk integritet
Grunden för en räls livslängd ligger i dess kemiska sammansättning. Den exakta balansen mellan element som kol (C), mangan (Mn) och kisel (Si) dikterar direkt skenans inneboende slitstyrka och seghet. Högre kolhalt ökar hårdheten på rälshuvudet, vilket minskar nötande slitage från kontinuerlig hjulkontakt. Mangan fungerar som ett avgörande deoxidationsmedel och förstärkningsmedel, vilket förhindrar stålet från att bli sprött samtidigt som det förbättrar dess slaghållfasthet.

| Kvalitet | Standard / Region | Typisk sammansättning (vikt%) |
| R260 | EN 13674-1 (Europa) | C: 0,67–0,80, Mn: 0,90–1,20, Si: Mindre än eller lika med 0,50 |
| R350HT | EN 13674-1 (Europa) | C: 0,75–0,85, Mn: 0,80–1,20, Cr: 0,20–0,50 |
| Betyg 260 | AREMA (Nordamerika) | C: ~0,77, Mn: ~1,0–1,2, Si: ~0,2 |
| Betyg 350 | AREMA + Mill Specs (USA/Kanada) | C: 0,78–0,83, Mn: 0,90–1,20, Cr: 0,2–0,6, + V/Nb (mikrolegerad) |
Mekanisk hållfasthet och ythårdhet
För UIC 60-skenor, som huvudsakligen används i hög-nätverk och tunga-fraktskorridorer, är mekaniska egenskaper som draghållfasthet och sträckgräns kritiska livslängdsbestämningsfaktorer. Hög draghållfasthet säkerställer att skenan kan motstå de enorma dynamiska påfrestningar och böjmoment som utövas av tunga axelbelastningar utan att spricka. Dessutom bestämmer skenhuvudets ythårdhet dess motståndskraft mot plastisk deformation och rullkontaktsutmattning (RCF).

Beroende på projektkraven kan UIC 60-skenor tillverkas med specifika värmebehandlingar, såsom huvud-härdningsprocesser, för att avsevärt höja ythårdheten, och därigenom multiplicera skenans livslängd i miljöer med hög-nötning som skarpa kurvor och branta lutningar.
Dimensionell precision och geometriska toleranser
Även det starkaste stålet bryts ned snabbt om dess dimensionella profil är ofullkomlig. Den geometriska precisionen hos en UIC 60-skena-specifikt dess rakhet, ytplanhet och strikta överensstämmelse med tvärsnittstoleranser-är avgörande för att minimera dynamiska hjul-rälspåverkan. Ofullkomligheter i rakhet eller mikroskopiska ytkorrugeringar orsakar hög-vibrationer när tåg passerar i höga hastigheter. Dessa vibrationer påskyndar inte bara slitaget på själva rälsen utan försämrar också betongslipers, rälsfästen och tågets hjuluppsättningar.

Överlägsen rullningsteknik säkerställer att rälsprofilen bibehåller felfri kontinuitet, vilket ger en mjuk körning som dramatiskt förlänger livslängden för hela spårinfrastrukturen.
GNEE RAILspecialiserar sig på att tillverka och leverera UIC60 Rail (60E1), konstruerad för att möta de rigorösa kraven från moderna järnvägsnät. Våra UIC60-skenor följer de högsta internationella standarderna, inklusive UIC860 och EN13674-1, vilket säkerställer enhetlig kvalitet, exakta dimensioner och global regelefterlevnad.
Tillverkade av premiumstål av-kvalitet ger de exceptionell utmattningsmotstånd och strukturell integritet, vilket gör dem idealiska för hög-passagerarlinjer, tunga-godskorridorer och järnvägsprojekt. Varje räls genomgår rigorösa icke-förstörande tester för att eliminera defekter, vilket garanterar långsiktig-tillförlitlighet och minimala underhållskostnader.
Kontakta ossidag för att diskutera dina projektkrav och få ett detaljerat tekniskt datablad skräddarsytt för din ansökan.

