Produktintroduktion
GB tunga skenor är tunga skenor som produceras enligt nationella standarder. Vanliga material är U71MN och U75V. De är indelade i kärnspecifikationer såsom 38 kg\/m, 60 kg\/m och 75 kg\/m enligt vikt per meter. Det finns betydande skillnader i prestanda och tillämpning bland specifikationerna.
Till exempel är den 75 kg\/m tunga skenan utformad för tunga järnvägar. Det är huvudsakligen tillverkat av U75V -stål, med en järnvägshöjd på 192 mm, en bottenbredd på 164 mm och en draghållfasthet på över 950MPa. Det kan tåla upprepad rullning av tunga tåg med en axelvikt på mer än 30 ton och en årlig transportvolym på över 100 miljoner ton.

GB 38 kg tungt skena är en varmvalsad skena med en teoretisk vikt på cirka 38 kg per meter, vilket tillhör tung järnväg.
Huvudfunktioner:
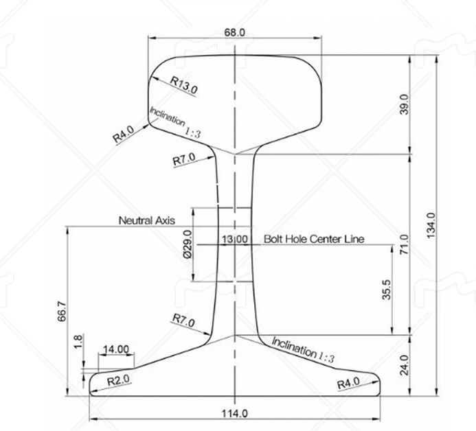
Sektionsdimensioner:Järnvägshöjd 134mm, bottenbredd 114 mm, huvudbredd 68 mm, midjejocklek 13 mm. Denna avsnittdesign ger en viss strukturell grund för att förbättra segheten på grundval av att säkerställa en viss bärkapacitet, som jämnt kan fördela kraften och minska de negativa effekterna av stresskoncentration på seghet.
Produktion och kvalitetskontroll:Gnee Rail har strikta kvalitetskrav i produktionsprocessen på 38 kg tunga skenor. Förutom att testa den kemiska sammansättningen och mekaniska egenskaperna kontrollerar den strikt de faktorer som påverkar seghet, såsom inre inneslutningar, porer och andra defekter. Den måste genomgå Drop Hammer -test och andra tester för att säkerställa att dess seghet och övergripande kvalitet uppfyller kraven på hög seghet.
Support och underhåll:Det måste användas med lämpliga fiskplattor, bultar, fästelement och andra tillbehör. Under användningen, på grund av sin höga seghet, kan det ha olika slitprestanda jämfört med vanliga tunga skenor, och det är fortfarande nödvändigt att regelbundet kontrollera skenytans slitage, sprickor osv. På grund av dess goda seghet är sannolikheten för allvarliga problem som plötsliga frakturer relativt låg. Underhållscykeln och metoden kan rimligen justeras enligt faktisk användning.
Produktspecifikationer

Produktansökan
38 kg\/m tunga skenor är lämpliga för tillfällen med höga krav på järnvägssvårighet, såsom sektioner med höga tåghastigheter eller ofta bromsning i vissa järnvägsgrenar, samt järnvägslinjer inom vissa industriföretag. När det finns stor utrustning som kör eller transporterar tunga föremål och påverkan på banan är stor, kan 38 kg tunga skenor bättre anpassa sig, minska förekomsten av fel som järnvägsbrott och förlänga livslängden.

Gnee Rail är en omfattande tjänsteleverantör som specialiserat sig på den globala driften av GB Standard Heavy Rail -produkter. Vi har innovativt byggt ett "Global Heavy Rail Trade Ecosystem" för att integrera uppströms och nedströms resurser av hög kvalitet för att ge kunderna enstaka upphandlingslösningar. Vi har etablerat ett strikt 3-nivå kvalitetskontrollsystem och utrustat med internationellt avancerad icke-destruktiv testutrustning för att säkerställa att produktkvaliteten alltid är på ledande nivå i branschen.
Gnee Rail har ett professionellt internationellt handelsoperationsteam, som är bekant med järnvägsbyggnadsstandarderna och tekniska specifikationer i olika länder, och kan ge kunderna anpassade handelslösningar.




Populära Taggar: Tung järnväg 38 kg GB stål, China Heavy Rail 38 kg GB Ståltillverkare, leverantörer, fabrik






